"Régulation des systèmes hydrauliques" Vol 4 (livre + vidéos)
Formation hydraulique: Explication simple comprise de tous. Retrouver les cours associés aux vidéos consultables gratuitement sur le site internet
Formation hydraulique : Explication simple, comprise de tous.
Retrouver dans ce livre les cours associés à des vidéos consultables gratuitement sur le site internet. (90 pages)
Voici les sujets abordés :
- Cours N°1 Distributeur proportionnel hydraulique de type 6/3
- Cours N°2 Distributeur LS et vitesse des récepteurs
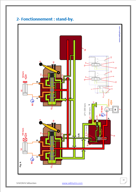
- Cours N°3 Pompe hydraulique avec régulation pression constante
- Cours N°4 Réglage pompe pression constante
- Cours N°5 Fonctionnement d'une pompe Load Sensing
- Cours N°6 Réglage d'une pompe Load Sensing
- Cours N°7 Hydraulique proportionnelle : Boucle ouverte / Boucle fermée
- Cours N°8 Installation des filtres sur un circuit hydraulique
- Cours N°9 Vue en coupe des symboles hydrauliques
- Cours N°10 La sécurité hydraulique. Quels sont les dangers
- Questionnaire
Existe aussi en version Ebook (Vendu sur clé USB ).
Existe aussi en version Ebook à télécharger : Economiser les frais de port
ISBN 978-2-491341-12-1
Disponibilité : En stock, livraison en 24h
55,00€ TTC
52,13€ HT
- État du produit : Neuf
formation hydraulique apprendre l'hydraulique hydraulique pour tous les bases de l'hydraulique comprendre l'hydraulique hydraulique indispensable livre hydraulique se former en hydraulique régulation hydraulique
Suggestions
-
Formation "Les bases de l'hydraulique" Vol 1 (livre + vidéos)
Véritable formation hydraulique : explications simples, comprises de tous. Véritable...55,00€ TTC
Détails
52,13€ HT -
Formation "Les bases de l'hydraulique" Vol 2 (livre + vidéos)
Véritable formation hydraulique : Explication simple, comprise de tous. Formation hydraulique :...55,00€ TTC
Détails
52,13€ HT -
"Approfondir ses connaissances en hydraulique" Vol 3 (livre + vidéos)
Véritable formation hydraulique : Explication simple, comprise de tous. Suite logique des 2 autres...55,00€ TTC
Détails
52,13€ HT -
Contrôle / Réglage / Dépannage hydraulique mini-pelle livre
La procédure de contrôle, réglage et dépannage est décrite à l'aide d'un schéma de mini-pelle 1.6T....55,00€ TTC
Détails
52,13€ HT -
"Les systèmes électriques embarqués" Vol 1 (livre + vidéos)
Formation électrique: Explication simple comprise de tous. Retrouver les cours associés...55,00€ 49,50€ TTC
Détails
52,13€ 46,92€ HT -
Hydraulique proportionnelle : Formation Vol 5
Formation hydraulique comprise des techniciens. Retrouver dans ce livret les cours associés...55,00€ TTC
Détails
52,13€ HT -
Formation hydraulique : les bases Vol 1 & 2
Se former en hydraulique. 40 cours hydrauliques associés à 40 vidéos. Véritable...110,00€ 99,00€ TTC
Détails
104,27€ 93,84€ HT -
Formation hydraulique Vol 1, 2 & 3
3 livres pour se former en hydraulique. 55 cours associés à des vidéos consultables...165,00€ 148,50€ TTC
Détails
156,40€ 140,76€ HT -
Formation électro-hydraulique en 10 Volumes
9 livres pour se former en hydraulique / électrique. Cours associés à des...550,00€ 467,50€ TTC
Détails
521,33€ 443,13€ HT -
Boîtier test pour capteur 3 & 4 fils
Boîtier test pour le controle des capteurs 2 & 3 fils. Capteur avec connecteur 4 broches -...99,00€ 89,10€ TTC
Détails
82,50€ 74,25€ HT -
Boitier test bobine hydraulique DIN EN 175 301-803-A (HIRSCHMANN GDM-séries)
Boitier test bobine hydraulique DIN EN 175 301-803-A (HIRSCHMANN GDM-séries) Boitier test bobine...99,00€ 89,10€ TTC
Détails
82,50€ 74,25€ HT
Commentaires
-
Bonjour
Puis-je savoir si vous aviez un livre ( formation) me permettant de comprendre comment se comporte la pression et le débit dans un circuit complet ( avec les vérins de levage,de direction ,de tilt...) d'une machine ou permettant de concevoir ce genre d'installation ?
Merci
Bonjour ,
Les livrets hydrauliques Vol 1 à 5 correspondent à votre demande.
Vous pouvez commander directement sur le site. Le paiement est sécurisé.
https://www.sebhydro.com/boutique/
Nous pouvons prendre aussi votre commande par mail. sebhydro@sebhydro.com
Ajouter un commentaire
