Promotion
Boitier test capteur 1

Boîtier test pour capteur 3 & 4 fils

Boîtier test pour le controle des capteurs 2 & 3 fils. Capteur avec connecteur 4 broches -...

99,00€ 89,10€ TTC
82,50€  74,25€ HT

Détails
Promotion
Logo cours videos 1

E-learning formation hydraulique

Formation hydraulique E-learning. Vidéo-learning. Concept innovant avec le suivi d'un formateur.  ...

620,00€ 496,00€ TTC
516,67€  413,33€ HT

Détails
Promo
Les systemes electrique industriels page 7

"Les systèmes électriques industriels" (livre + vidéos)

Formation électrique: Explication simple comprise de tous. Retrouver les cours associés...

55,00€ 49,50€ TTC
52,13€  46,92€ HT

Détails
Promo
Couverture formation electrique vol 1

"Les systèmes électriques embarqués" Vol 1 (livre + vidéos)

Formation électrique: Explication simple comprise de tous. Retrouver les cours associés...

55,00€ 49,50€ TTC
52,13€  46,92€ HT

Détails

Moteur hydraulique à cylindrée variable

Formation hydraulique

Formation "Les bases de l'hydraulique" Vol 1 (livre + vidéos)

Véritable formation hydraulique : explications simples, comprises de tous. Véritable...

55,00€ TTC 52,13€ HT

Détails
A6vm 1

1. Pourquoi utiliser un moteur à cylindrée variable

  1. On utilise des moteurs hydrauliques à cylindrée variable notamment pour :
  • Treuils et enrouleurs,
  • Convoyeurs lourds,
  • Transmissions hydrostatiques,
  • Machines mobiles (engins, forestier, agricole),
  • Bancs d’essais et machines spéciales.

 
  1. Un moteur hydraulique à cylindrée variable est utilisé lorsqu’une application nécessite d’adapter le couple et la vitesse en fonctionnement, sans modifier la pression du circuit ni le débit fourni par la pompe.

Contrairement à un moteur à cylindrée fixe, il permet une souplesse de fonctionnement et une meilleure maîtrise de la puissance transmise.

Formation

Formation "Les bases de l'hydraulique" Vol 2 (livre + vidéos)

Véritable formation hydraulique : Explication simple, comprise de tous. Formation hydraulique :...

55,00€ TTC 52,13€ HT

Détails
  1. Un moteur à cylindrée variable démarre souvent en cylindrée maximale, ce qui permet :
  • Un couple de démarrage élevé,
  • Une montée en régime progressive,
  • Une réduction des chocs mécaniques.

C’est un avantage majeur par rapport à un moteur à cylindrée fixe.

Promotion
Formations hydrauliques

Formation hydraulique : les bases Vol 1 & 2

Se former en hydraulique. 40 cours hydrauliques associés à 40 vidéos.   Véritable...

110,00€ 99,00€ TTC
104,27€  93,84€ HT

Détails
  1. Un démarrage en cylindrée minimale n’est pas le cas le plus courant, mais il présente un intérêt précis dans certaines architectures de circuits hydrauliques.
  • Limiter le couple au démarrage
  • Favoriser un démarrage rapide
Approfondir ses connaissances en hydraulique vol 3

"Approfondir ses connaissances en hydraulique" Vol 3 (livre + vidéos)

Véritable formation hydraulique : Explication simple, comprise de tous. Suite logique des 2 autres...

55,00€ TTC 52,13€ HT

Détails

Formations hydrauliques et électriques

Sur site en entreprise et/ou visioconférence

Nous nous déplacons avec un banc de simulation,  les sessions de formation alternent théorie et pratique.

Le banc de simulation permet de reproduire les montages industriels et mobiles.

Pour toute question  CONTACTEZ  NOUS

2. Différence moteur cylindrée fixe et variable

Moteur à cylindrée fixe

  • La cylindrée est constante.
  • Le moteur fournit toujours le même volume par tour.
  • Couple et vitesse ne dépendent que de la pression et du débit.
A2fm
Formation hydraulique les bases ebook a telecharger 2

Formation "Les bases de l'hydraulique" Vol 1 version Ebook à télécharger

Véritable formation hydraulique : explications simples, comprises de tous. Cours en téléchargement...

55,00€ TTC 52,13€ HT

Détails

Moteur à cylindrée variable

  • La cylindrée est réglable (manuelle, hydraulique, électrique).
  • Le volume par tour peut augmenter ou diminuer en fonctionnement.
  • Couple et vitesse sont adaptables.
A6vm
Promo
Couverture habilitation électrique véhicules et engins

Habilitation électrique véhicules et engins (livret)

Formation électrique: Explication simple comprise de tous.  Préparation à...

55,00€ 35,75€ TTC
52,13€  33,89€ HT

Détails

Comparaison fonctionnelle

Critère

Cylindrée fixe

Cylindrée variable

Cylindrée

Constante

Réglable

Couple

Fixé pour une pression donnée

Ajustable

Vitesse

Fixée pour un débit donné

Ajustable

Démarrage en charge

Limité

Très bon

Souplesse d’utilisation

Faible

Élevée

Régulation possible

Non

Oui

Complexité

Faible

Plus élevée

Coût

Plus bas

Plus élevé


Couple et vitesse : différence clé

Cylindrée fixe

  • Pour plus de couple → il faut augmenter la pression
  • Pour plus de vitesse → il faut augmenter le débit

Peu de marge de manœuvre sans modifier le circuit.

Cylindrée variable

  • Pour plus de couple → on augmente la cylindrée
  • Pour plus de vitesse → on réduit la cylindrée

Le moteur s’adapte sans changer la pompe ni la pression.

Couverture regulation hydraulique vol 4

"Régulation des systèmes hydrauliques" Vol 4 (livre + vidéos)

Formation hydraulique: Explication simple comprise de tous. Retrouver les cours associés aux...

55,00€ TTC 52,13€ HT

Détails

3. Pompe & moteur : comment connaitre la position au démarrage.

Dans un circuit hydraulique, la position au démarrage d’une pompe ou d’un moteur dépend de sa conception et de son mode de régulation.
Sur les schémas hydrauliques, les composants sont toujours représentés à l’arrêt, ce qui permet de déterminer leur comportement au démarrage.

Promotion
Boitier test bobine hydraulique DIN EN 175 301-803-A (HIRSCHMANN GDM-séries)

Boitier test bobine hydraulique DIN EN 175 301-803-A (HIRSCHMANN GDM-séries)

Boitier test bobine hydraulique DIN EN 175 301-803-A (HIRSCHMANN GDM-séries) Boitier test bobine...

99,00€ 89,10€ TTC
82,50€  74,25€ HT

Détails

  1. Pompe à cylindrée variable en circuit ouvert : Au démarrage, les pompes utilisées en circuit ouvert sont généralement orientées en cylindrée maximale.

Cela signifie qu’elles :

  • Aspirent le débit maximal,
  • Refoulent le débit maximal dès la mise en rotation.

Objectif principal :

  • Garantir un débit disponible immédiat pour les actionneurs,
  • Assurer un fonctionnement simple et robuste du circuit.

Cas particulier (plus rare) :
Certaines pompes peuvent démarrer en cylindrée nulle ou réduite afin de :

  • Limiter le couple résistant au démarrage,
  • Eviter une surcharge du moteur d’entraînement (électrique ou thermique),
  • Réduire les appels de courant ou les contraintes mécaniques.

 Ce choix est volontairement lié à l’application, jamais accidentel.

 

A10v
livre contrôle, réglage, dépannage minipelle

Contrôle / Réglage / Dépannage hydraulique mini-pelle livre

La procédure de contrôle, réglage et dépannage est décrite à l'aide d'un schéma de mini-pelle 1.6T....

55,00€ TTC 52,13€ HT

Détails
Schema a10v
 
  1. Pompe à cylindrée variable en circuit fermée : Au démarrage, les pompes utilisées en circuit fermé sont orientées en cylindrée nulle.

Cela signifie qu’elles :

  • N’aspirent pas de débit utile,
  • Ne refoulent pas,
  • Ne transmettent aucune puissance hydraulique à l’arrêt.
A4vg
Couverture vol 5

Hydraulique proportionnelle : Formation Vol 5

Formation hydraulique comprise des techniciens. Retrouver dans ce livret les cours associés...

55,00€ TTC 52,13€ HT

Détails
Schéma a4vg pompe circuit fermé
Promo
L' hydraulique en 305 questions Ebook

L'hydraulique expliquée en 305 questions version Ebook à télécharger

En version Ebook  à télécharger : Economiser les frais de port Un lien de...

55,00€ 41,25€ TTC
52,13€  39,10€ HT

Détails

Avantages de ce principe :

  • Démarrage sans charge,
  • Couple de démarrage très faible sur le moteur d’entraînement,
  • Absence de mouvement intempestif du moteur hydraulique.

 La cylindrée n’augmente que lorsque la commande de régulation est activée.

Formation

Formation "Les bases de l'hydraulique" Vol 2 version Ebook USB

Formation hydraulique : Explication simple, comprise de tous.Formation hydraulique : Explication...

55,00€ TTC 52,13€ HT

Détails
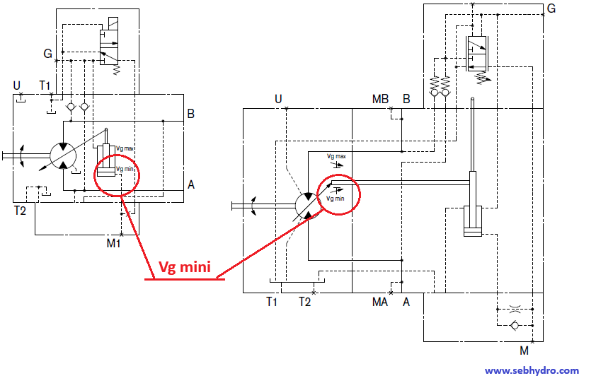
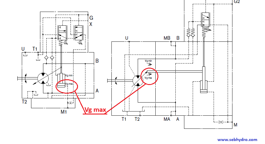
  1. Moteur hydraulique à cylindrée variable (circuit ouvert ou fermé) : Au démarrage, un moteur hydraulique à cylindrée variable peut être orienté :
  • Soit en cylindrée maximale,
  • Soit en cylindrée minimale.

Il n’existe pas de règle universelle : le comportement dépend de la commande de cylindrée.

Comment connaître la cylindrée de démarrage ?

Pour le déterminer, il faut :

  • Lire le schéma hydraulique
  • Identifier la commande de cylindrée du moteur
  • Observer la position au repos, car le moteur est toujours représenté à l’arrêt

Sur le symbole :

  • Le piston de commande est annoté Vg mini et Vg maxi,
  • La position imposée par le ressort de rappel, sans pression pilote, indique la cylindrée de démarrage.

 Tant qu’aucune pression de pilotage n’est appliquée, le moteur démarre dans la position ressort.

Promo
Habilitation electrique industrielle page 1

Habilitation électrique industrielle (livre)

Formation électrique: Explication simple comprise de tous.  Préparation à...

55,00€ 35,75€ TTC
52,13€  33,89€ HT

Détails
Moteur hydraulique  vg mini
Moteur hydraulique vg max
Promo
Vol 1 2 3 4 5 mini pelle electricite

Formation électro-hydraulique en 10 Volumes

9 livres pour se former en hydraulique / électrique. Cours associés à des...

550,00€ 467,50€ TTC
521,33€  443,13€ HT

Détails

Moteur hydraulique à cylindrée variable

Promo
Vol 1 2 3 4 5 mini pelle electricite

Formation électro-hydraulique en 10 Volumes version Ebook à télécharger

9 Ebook à télécharger pour se former en hydraulique / électrique....

550,00€ 467,50€ TTC
521,33€  443,13€ HT

Détails
Promotion
Boitier test capteur 1

Boîtier test pour capteur 3 & 4 fils

Boîtier test pour le controle des capteurs 2 & 3 fils. Capteur avec connecteur 4 broches -...

99,00€ 89,10€ TTC
82,50€  74,25€ HT

Détails
Promotion
Formation vol1 2 3

Formation hydraulique Vol 1, 2 & 3

3 livres pour se former en hydraulique. 55 cours associés à des vidéos consultables...

165,00€ 148,50€ TTC
156,40€  140,76€ HT

Détails
Couverture regulation hydraulique vol 4

"Régulation des systèmes hydrauliques" Vol 4 (livre + vidéos)

Formation hydraulique: Explication simple comprise de tous. Retrouver les cours associés aux...

55,00€ TTC 52,13€ HT

Détails